intellitronix gauges wiring diagram

Copypaste of wiring diagram i used. This is the main ground for the display system.


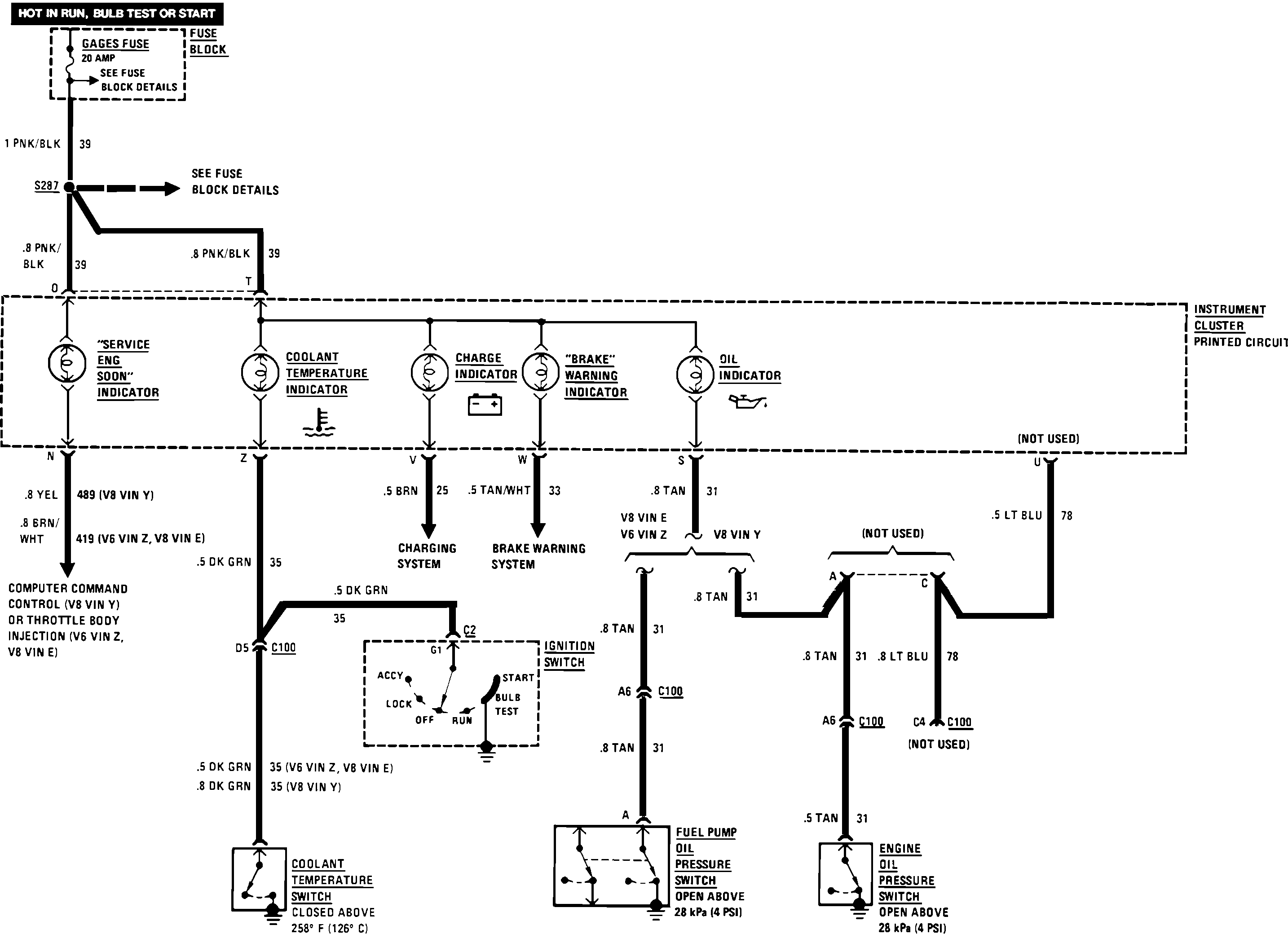
My Intellitronix Gauge Install Third Generation F Body Message Boards

Intellitronix Direct Fit Packages Vehicle Listing.

. Use 18 AWG or larger wire to ensure sufficient grounding. You can get them off the above mentioned cars in a junkyard or a GM dealer. So we can pretty much assume that 2 of the connectors go to the winch selonoid and one to keyed power.

On the 16 Pin Connector C15 is the pickup wire for the speedo. Connect the WHITE wire from the Intellitronix panel to the sending wire from the original gauge harness. Intellitronix is an industry leader in electronic engineered products for the automotive market.

The first is specific to alarms and warnings. Pic 2 is for the fuel and voltmeter. Connect the black wire to Ground and the Red wire to switched 12 volts.

LED Gauges Dash and Console 1968-1977 C3 Corvette HIGHLY RECOMMENDED FOR THIS PROJECT. 2252 which uses a 2-wire plug in connector you will use the 2277 adapter but due to the smaller probe diameter of the full sweep sender you may use the included sender that normally comes with the full sweep gauge. Hi I have attached a few schematics below.

FOR AUTO METER STREET ROD SERIES 6 GAUGE PANEL 2 5 4 2 116 21 34 X 9 Panel only gauges not included Not available at this time. 62-65 Nova Direct Replacement Dash. Follow the wiring instructions in the next section and wire the circuit boards.

The gauge is pre-programmed to the industry standard GM range of 0-90 ohms. Automotive circuit connectors are the preferred method of connecting wires. 60-63 Chevrolet Truck Digital Dash.

Place connector end in a vice. To install a full sweep electric gauge sender. Connect the BLUE wire on the Intellitronix dash panel to the new temperature sending unit.

Pic 5 is engine. Which uses a permanent capillary. We provide easy to use installation guides technical support videos trouble-shooting tips and access to a live person to answer your questions.

Intellitronix Oil Temp and Volt Gauges RickTheRocket UHMW Bushings all around Superwinch Terra 3500 Papa Slap Stage. A wire should be run from this board to the vehicles main engine block ground. Pic 3 is the tailgate ajar schematic.

Wiring diagram for that year Corvette Remove your factory gauges from your instrument cluster and insert our three digital panels. 55-59 Chevrolet TruckSuburban Panel Digital Dash. Intellitronix Gauges Speedometers and Tachometers.

I hope this helps. To install a mechanical gauge. Connect this to the speed signal wire on your gauge.

Ground Black. Intellitronix direct fit packages vehicle listing. Intellitronix Digital Dash Panel Gauges Part DP6004BEquus Oil Pressure and Electronic Temperature Metric Adapter Kit Part 9848Deutsch DT 12 Pin C.

You must use the small wire provided as a ground loop connecting D11 to D3 for the speedo to function. Fuel - The fuel gauge sending unit is not normally supplied because the display system can use the existing fuel sending unit in the tank in many cases. It came in a box with NO wiring diagram at all.

Vehicle service manual or wiring diagram to determine the correct wire color and connect. Service Manual or Assembly instruction manual for year of car getting the gauge installation. Intellitronix is an industry leader in electronic engineered products for the automotive market.

Change your water temp and oil pressure sending units for gauges. However you may solder if you prefer. Intellitronix is the leader in daylight and nighttime readable gauges and has been making digital gauges since 1981.

For over thirty years Intellitronix has been helping drivers see things in a new way. Pic 4 is for the temperature gauge. Contact us with your technical questions regarding the Intellitronix product that you purchased.

If you DO have a cluster with a tach I recommend tach filter GM 14062505 from any GM dealership or off any Cutlass Monte Carlo Regal El Camino or Bonneville 1978-1988 at a junk yard. 64-66 Chevrolet Truck Direct Fit Dash. Pic 6 is the fuel gauge.

The switch has 3 male prong connectors on the back with NO labels at all. Their line of digital gauges speedometers and tachometers were inspired by the James Bond film The Spy Who Loved MeThe team of talented engineers took a thats pretty cool moment in the film and turned it into a reality letting us all.


Digital Dash Wiring Diagram And Or Pinout Diagram


Installation Guide Chevrolet Digital Dash Panel Part Manualzz


New Vintage Information Egaugesplus


My Intellitronix Gauge Install Third Generation F Body Message Boards


Videos Intellitronix United States


Intellitronix Gauges Installed The 1947 Present Chevrolet Gmc Truck Message Board Network


Intellitronix Digital Dash Install Ford Truck Enthusiasts Forums


Customize Your Dash Gauges From Intellitronix Youtube


Carid Com


Intellitronix Dash Install Corvetteforum Chevrolet Corvette Forum Discussion


73 87 Chevy Gmc C10 Intellitronix Digital Gauge Cluster Blue Install Part 1 Youtube


Intellitronix Gauges Installed The 1947 Present Chevrolet Gmc Truck Message Board Network


91 Camaro Intellitronix Gauge Install Third Generation F Body Message Boards


Installation Guide Chevrolet Digital Dash Panel Part Manualzz


Digital Dash Wiring Diagram And Or Pinout Diagram


Intellitronix Cluster Setup To 4 Cylinder Ls The 1947 Present Chevrolet Gmc Truck Message Board Network


Carid Com


10 Circuit Universal Wire Harness Intellitronix


Intellitronix Gauges Installed The 1947 Present Chevrolet Gmc Truck Message Board Network

Iklan Atas Artikel

Iklan Tengah Artikel 1

Iklan Tengah Artikel 2

Iklan Bawah Artikel